
智能报警器是同家庭的各种传感器、功能键、探测器及执行器共同构成家庭的安防体系,是家庭安防体系的"大脑"。报警功能包括防火、防盗、煤气泄露报警及紧急求助等功能,报警系统采用先进智能型控制网络技术、由微机管理控制,实现对匪情、盗窃、火灾、煤气、紧急求助等意外事故的自动报警。
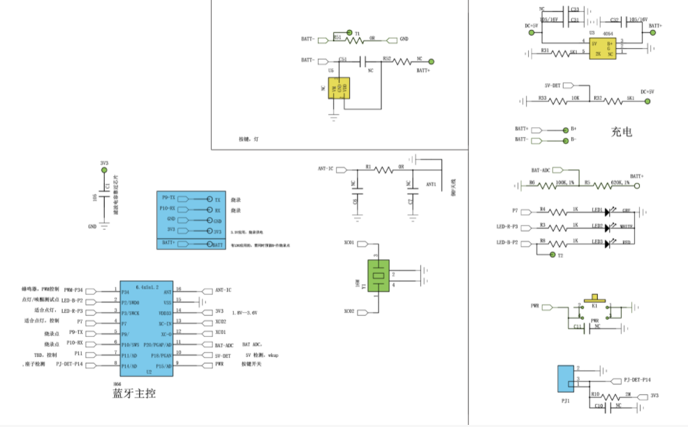
描述:Bluetooth 5.2、BLE、Bluetooth Mesh
CPU:高性能低功耗32位处理器
存储器:64KB SRAM,all programmable retention in sleep mode
支持的频段:2.4 GHz
支持的协议:Bluetooth 5.2
灵敏度:-97dBm@BLE 1Mbps data rate
发射功率:+10dBm
接收电流:8mA
发射电流:8.6mA
封装:TSSOP16
1.超低功耗蓝牙方案,超长待机;
2. 支持红外线测距警报;
3.支持APP控制;


热线:0755-86003350 26506862
手机:13480769332 文小姐 18118741631 文先生
Email:cxwenli@126.com
地址:深圳市宝安区西乡街道前进二路149号智汇创新中心A座8层803室
地址:深圳市宝安区西乡街道前进二路149号智汇创新中心A座8层803室
备案号:粤ICP备17163104号-2 ©2021 深圳市迅瑞创芯科技有限公司 版权所有
